🚚 Livrare Rapidă, oriunde în România !

pröfilu Piesă Acustică Click-Fix Fixare Directă CD60

pröfilu
6,23 RON
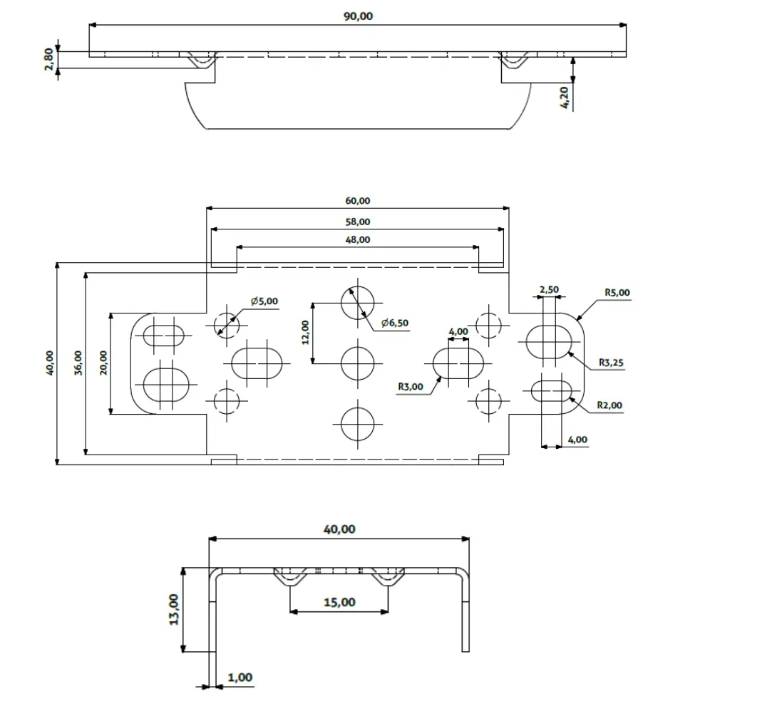
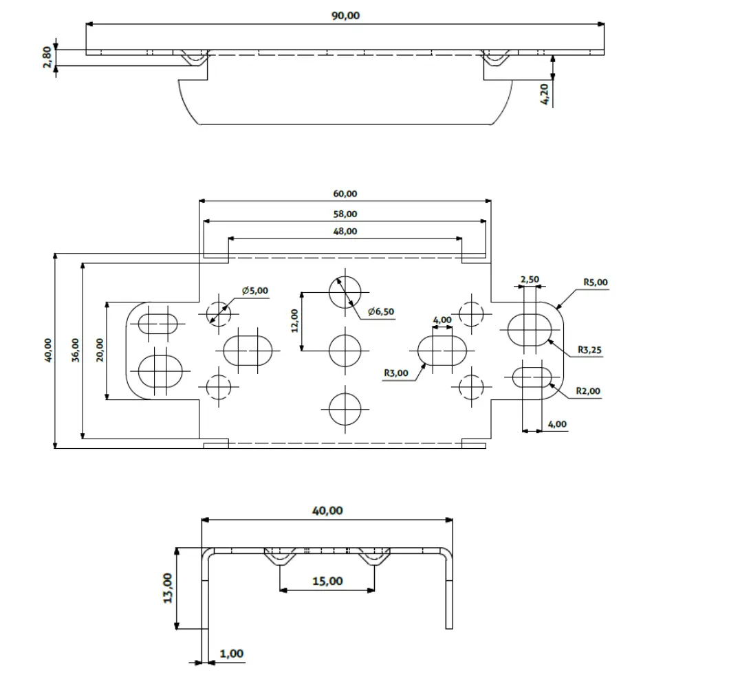
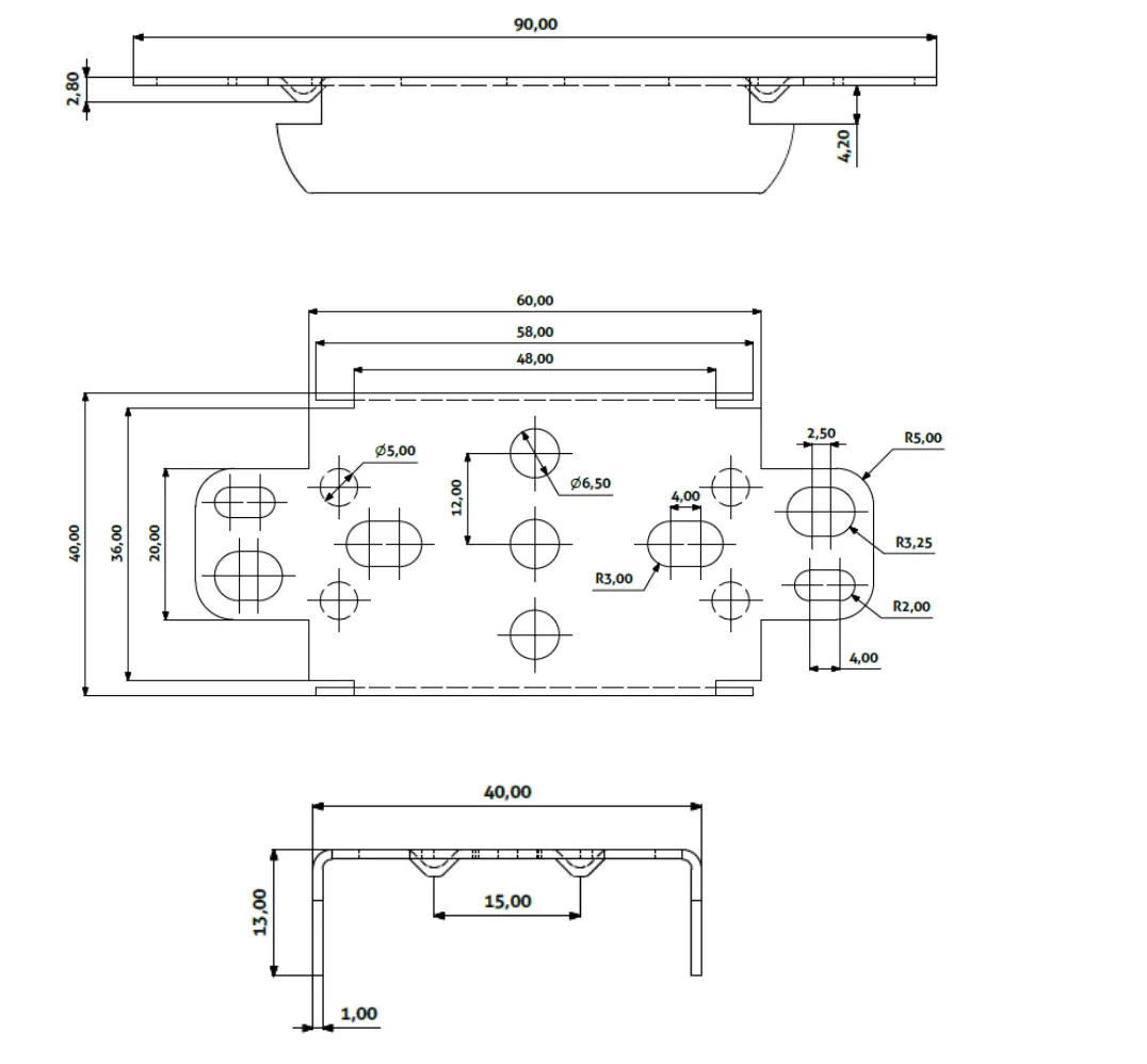
Elementul de fixare direct Click Fix este fabricat din oțel galvanizat la cald și este conceput optim pentru tavanul cu profil C. Printr-o apăsare ușoară, conectorul direct Click Fix este presat în profilul C și fixat de marginile ridicate ale elementului de fixare. Capacitate portantă: 0,40 kN (40 kg)
In stoc

Data de livrare: Marti, 10.03.2026

Limita stoc
Adauga in cos
Cod Produs: 48064443 Ai nevoie de ajutor? 0756778626 / 0755424249
Adauga la Favorite Cere informatii Comanda rapida
  • Descriere
  • Caracteristici
  • Review-uri (0)

Caracteristici și Avantaje Piesă Acustică Click-Fix Fixare Directă CD60:

Elementul de fixare direct Click Fix este fabricat din oțel galvanizat la cald și este conceput optim pentru tavanul cu profil C. Printr-o apăsare ușoară, conectorul direct Click Fix este presat în profilul C și fixat de marginile ridicate ale elementului de fixare. Capacitate portantă: 0,40 kN (40 kg)

Vezi mai mult Informatii conformitate produs

Tip produs: Piesa Suspendare

Model: Compatibil orice CD60

Utilizat pentru: Perete, Tavan

Caracteristici Speciale: Previne Aparitia Vibratiilor

Lungime: 90 mm

Lățime: 40 mm

Clasa Ignifugare:

Bucăți/Ambalaj: 100

Detalii suplimentare: Protectie Zn 100g; Grosime Strat Zn 7μm.

Cantitate (buc): 1 buc

Daca doresti sa iti exprimi parerea despre acest produs poti adauga un review.

Review-ul a fost trimis cu succes.

Compara produse

Trebuie sa mai adaugi cel putin un produs pentru a compara produse.

A fost adaugat la favorite!

A fost sters din favorite!